
Có 4 loại tiêu chuẩn lỗ chống tâm đa dụng: loại R, loại A, loại B, loại C. Trong bài viết này, mình chỉ đề cập đến mũi khoan góc 60° là loại phổ biến. Các loại góc khác như 75°, 90° không thông dụng bằng và chỉ tồn tại trong tiêu chuẩn Nhật.
- Loại R thì mình thấy chủ yếu được dùng để lắp ráp. Bạn muốn chi tiết tự lựa và ráp vào lỗ khoan tâm một cách tự nhiên thì dùng cách này. Ngoài ra, bạn cũng có thể dùng để gia công các chi tiết nặng dễ bị lệch tâm. Mũi khoan chống tâm loại R ít bán tại thị trường Việt Nam.
- Loại A là lỗ chống tâm đơn giản nhất. Bạn chỉ cần dùng mũi khoan góc 60° để tạo lỗ mà không cần góc vát bảo vệ. Giá thành của mũi khoan tâm loại này thấp, gia công nhanh, có thể gia công thêm thành loại B hoặc C nếu có nhu cầu. Mũi khoan chống tâm loại A là loại thông dụng nhất tại thị trường Việt Nam.
- Loại B là lỗ chống tâm cải tiến hơn loại A do kèm thêm vát mép bảo vệ 120° (120° protective countersink). để tạo thành phần lỗ khoan chìm. Vát mép đóng vai trò quan trọng trong việc bảo vệ bề mặt định vị 60° khỏi va chạm, hư hỏng. Đặc biệt, trong quy trình kiểm soát chất lượng theo tiêu chuẩn ISO GPS hoặc ASME GD&T, Loại B là lựa chọn tốt hơn. Bạn sử dụng lỗ góc 60° làm tâm, tạo tâm xoay cho chi tiết trục. Từ mặt chuẩn (Datum System), bạn kiểm tra kích thước theo yêu cầu bản vẽ nhanh chóng và chính xác. Mũi khoan chống tâm loại B ít bán tại thị trường Việt Nam.
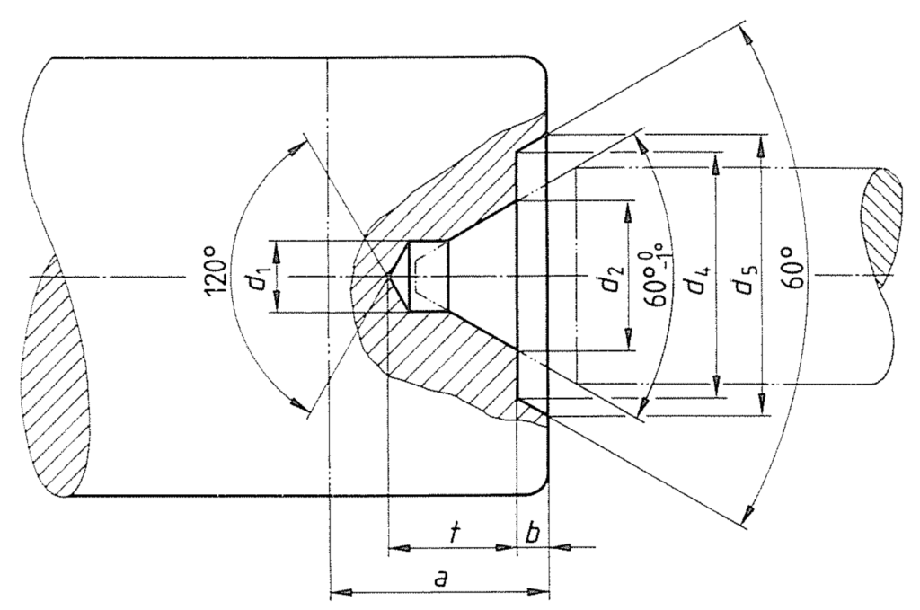
- Loại C cũng tương tự loại B về chức năng nhưng khác về cách bảo vệ mặt định vị 60°. Thay vì bạn vát mép 120° thì khoét 1 lỗ côn bậc âm xuống từ mặt ngoài. Mũi khoan chống tâm loại C gần như không kiếm được chỗ nào bán ở thị trường Việt Nam. Nếu bạn có nhu cầu làm lỗ loại này thì phải gia công 2 bước: dùng mũi khoan tâm loại A rồi tiện bậc bằng dao khác.
Cách thể hiện lỗ chống tâm trên bản vẽ
Tính đến thời điểm đăng bài viết này vào 30/01/2026, đây là các tiêu chuẩn góc chống tâm mà bạn có thể tham khảo:
| Loại lỗ chống tâm | TCVN | ISO | DIN | JIS |
|---|---|---|---|---|
| R | N/A | 6411:1982 / 2541:2016 | 332-1:1986 | B 1011:1987 |
| A | N/A | 6411:1982 / 866:2016 | 332-1:1986 | B 1011:1987 |
| B | N/A | 6411:1982 / 2540:2016 | 332-1:1986 | B 1011:1987 |
| C | N/A | N/A | 332-1:1986 | B 1011:1987 |
Thông số bằng chữ
| Kích thước thiết kế | Cách ghi yêu cầu trên bản vẽ |
|---|---|
| Loại A, d=4, D_1=8.5 | ISO 6411-A 4/8.5 |
| Loại B, d=2.5, D_1=8 | ISO 6411-B 2.5/8 |
| Loại C, d=1.6, D_1=3.35 | Center hole DIN 332 — C 1.6 x 3.35 |
| Loại R, d=3.15, D_1=6.7 | ISO 6411-R 3.15/6.7 |
Ký hiệu trên bản vẽ
Tiêu chuẩn lỗ chống tâm loại R

Bảng dưới đây là quy cách để các bạn ra được bản vẽ đúng cho tiêu chuẩn lỗ chống tâm loại R.
| d^{(a)} | Loại R (ISO 2541, DIN 332) | ||||
|---|---|---|---|---|---|
| D_1 | l_{minISO} | l_{maxISO} | l_{minDIN} | a | |
| (0.5) | 1.06 | 1.4 | 2 | ||
| (0.63) | |||||
| (0.8) | 1.7 | 1.5 | 2.5 | ||
| 1.0 | 2.12 | 2.42 | 2.52 | 1.9 | 3 |
| (1.25) | 2.65 | 3.02 | 3.08 | 2.3 | 4 |
| 1.6 | 3.35 | 3.83 | 3.89 | 2.9 | 5 |
| 2.0 | 4.25 | 4.81 | 4.89 | 3.7 | 6 |
| 2.5 | 5.3 | 6.05 | 6.15 | 4.6 | 7 |
| 3.15 | 6.7 | 7.7 | 7.79 | 5.8 | 9 |
| 4.0 | 8.5 | 9.63 | 9.78 | 7.4 | 11 |
| (5.0) | 10.6 | 11.95 | 12.16 | 9.2 | 14 |
| 6.3 | 13.2 | 15.17 | 15.45 | 11.4 | 18 |
| (8.0) | 17 | 19.26 | 19.56 | 14.7 | 22 |
| 10.0 | 21.2 | 24.03 | 24.41 | 18.3 | 28 |
| 12.5 | 26.5 | 23.6 | 36 | ||
| – ^{(a)} Tránh sử dụng kích thước trong ngoặc đơn nếu có thể – Kích thước được gạch chân được chính thức công bố trong tiêu chuẩn ISO | |||||
Trong đó:
- d là kích thước lỗ định tâm theo hình.
- D_1 là kích thước lỗ chống tâm ở phần rìa trục.
- l_{minISO} là độ sâu tối thiểu tính theo thông số của ISO 2541:2016. Thông số này không nằm trong bất kỳ tiêu chuẩn nào mà do mình tự tính ra.
- l_{maxISO} là độ sâu tối đa tính theo thông số của ISO 2541:2016. Thông số này không nằm trong bất kỳ tiêu chuẩn nào mà do mình tự tính ra.
- l_{minDIN} là độ sâu tối thiểu theo DIN 332-1.
- a_{DIN} là khoảng cách dọc trục tính từ bề mặt rìa trục để bạn có thể cắt phần lỗ chống tâm ra khỏi trục.
Về quy cách lỗ chống tâm, ISO 2541 lẫn 6411 không đề cập cụ thể độ sâu l của lỗ chống tâm là bao nhiêu. Mình sẽ tính toán độ sâu này theo các thông số đã cho trong tiêu chuẩn ISO. Mình dùng bảng 1 của ISO 2541:2016 để xác định thông số của mũi khoan chống tâm.

| d^{(a)} | d_1 | L | l | r | ||
|---|---|---|---|---|---|---|
| k12 | h9 | max. | min. | max. | min. | |
| 1.0 | 3.15 | 33.5 | 29.5 | 3 | 3.15 | 1.87 |
| (1.25) | 3.15 | 33.5 | 29.5 | 3.35 | 4 | 2.31 |
| 1.6 | 4 | 37.5 | 33.5 | 4.25 | 5 | 2.92 |
| 2.0 | 5 | 42 | 38 | 5.3 | 6.3 | 3.75 |
| 2.5 | 6.3 | 47 | 43 | 6.7 | 8 | 4.62 |
| 3.15 | 8 | 52 | 48 | 8.5 | 10 | 5.87 |
| 4.0 | 10 | 59 | 53 | 10.6 | 12.5 | 7.4 |
| (5.0) | 12.5 | 66 | 60 | 13.2 | 16 | 9.25 |
| 6.3 | 16 | 74 | 68 | 17 | 20 | 11.48 |
| (8.0) | 20 | 83 | 77 | 21.2 | 25 | 14.79 |
| 10.0 | 25 | 103 | 97 | 26.5 | 31.5 | 18.4 |
| ^{(a)} Tránh sử dụng kích thước trong ngoặc đơn nếu có thể | ||||||
Từ các giá trị ở bảng trên, mình dùng Siemens NX để tìm ra độ sâu lớn nhất và nhỏ nhất của lỗ chống tâm. Một ví dụ là mũi khoan chống tâm có kích thước danh định d=3.15 có bán kính cong lớn nhất r_{max}=10, r_{min}=8. Theo tính toán, độ sâu lần lượt là l_{min}=7.7, r_{max}=7.79


Áp dụng phương pháp tính này đối với quy cách của các lỗ khoan còn lại, mình sẽ có được độ sâu nhỏ nhất và lớn nhất theo ISO. Mình cũng thêm quy cách độ sâu lỗ tối thiểu theo tiêu chuẩn DIN 332-1:1986 để các bạn có thể so sánh trực quan hơn.
Tiêu chuẩn lỗ chống tâm loại A

Bảng dưới đây là quy cách để các bạn ra được bản vẽ đúng cho tiêu chuẩn lỗ chống tâm loại A.
| d^{(a)} | Loại A (ISO 866, DIN 332) | ||||
|---|---|---|---|---|---|
| D_2 | l_{minISO} | l_{maxDIN} | l_{minDIN} | a | |
| (0.5) | 1.06 | 0.98 | 1 | 2 | |
| (0.63) | 1.32 | 1.2 | |||
| (0.8) | 1.70 | 1.48 | 1.5 | 2.5 | |
| 1.0 | 2.12 | 1.87 | 1.9 | 3 | |
| (1.25) | 2.65 | 2.31 | 2.3 | 4 | |
| 1.6 | 3.35 | 2.92 | 2.9 | 5 | |
| 2.0 | 4.25 | 3.75 | 3.7 | 6 | |
| 2.5 | 5.30 | 4.62 | 4.6 | 7 | |
| 3.15 | 6.70 | 5.87 | 5.9 | 9 | |
| 4.0 | 8.50 | 7.4 | 7.4 | 11 | |
| (5.0) | 10.60 | 9.25 | 9.2 | 14 | |
| 6.3 | 13.20 | 11.48 | 11.5 | 18 | |
| (8.0) | 17.00 | 14.79 | 14..8 | 22 | |
| 10.0 | 21.20 | 18.4 | 18.4 | 28 | |
| 12.5 | 26.5 | 23.6 | 23.6 | 36 | |
| 16 | 33.5 | 37.5 | 30 | 45 | |
| 20 | 42.5 | 47.5 | 37.5 | 56 | |
| 25 | 53 | 60 | 47.5 | 71 | |
| 31.5 | 67 | 75 | 60 | 90 | |
| 40 | 85 | 95 | 75 | 112 | |
| 50 | 106 | 118 | 95 | 140 | |
| – ^{(a)} Tránh sử dụng kích thước trong ngoặc đơn nếu có thể – Kích thước được gạch chân được chính thức công bố trong tiêu chuẩn ISO – Kích thước danh định d=12.5\div50 thuộc tiêu chuẩn DIN do ISO không đề cập đến khoảng kích thước này – Theo DIN 332-1, dung sai lắp ráp của d=16\div50 là H12; dung sai lắp ráp của D_2=33.5\div106 là JS12 | |||||
Trong đó:
- d là kích thước lỗ định tâm theo hình.
- D_2 là kích thước lỗ chống tâm ở phần rìa trục.
- l_{minISO} là độ sâu tối thiểu tính theo thông số của ISO 866:2016. Thông số này không nằm trong bất kỳ tiêu chuẩn nào mà do mình tự tính ra.
- l_{maxDIN} là độ sâu tối đa theo DIN 332-1:1986.
- l_{minDIN} là độ sâu tối thiểu theo DIN 332-1:1986.
- a là khoảng cách dọc trục tính từ bề mặt rìa trục để bạn có thể cắt phần lỗ chống tâm ra khỏi trục theo DIN 332-1:1986.
ISO 866 lẫn 6411 không đề cập cụ thể độ sâu l của lỗ chống tâm là bao nhiêu. Tuy nhiên, bạn có thể tính toán dựa vào bảng A.1 của ISO 866:2016. Với độ sâu của mũi khoan chống tâm l_1 của cột 3 và giá trị tham khảo t của cột 4, bạn tính ra được độ sâu tối thiểu của lỗ chống tâm l_{minISO}=l_1+t.
Tiêu chuẩn lỗ chống tâm loại B

Bảng dưới đây là quy cách để các bạn ra được bản vẽ đúng cho tiêu chuẩn lỗ chống tâm loại B
| d^{(a)} | Loại B (ISO 2540, DIN 332) | ||||
|---|---|---|---|---|---|
| D_3 | l_{minISO} | l_{maxDIN} | l_{minDIN} | a | |
| 1.0 | 3.15 | 2.17 | 2.2 | 3.5 | |
| (1.25) | 4 | 2.7 | 2.7 | 4.5 | |
| 1.6 | 5 | 3.39 | 3.4 | 5.5 | |
| 2.0 | 6.3 | 4.34 | 4.3 | 6.6 | |
| 2.5 | 8 | 5.4 | 5.4 | 8.3 | |
| 3.15 | 10 | 6.83 | 6.8 | 10 | |
| 4.0 | 12.5 | 8.55 | 8.6 | 12.7 | |
| (5.0) | 16 | 10.81 | 10.8 | 15.6 | |
| 6.3 | 18 | 12.86 | 12.9 | 20 | |
| (8.0) | 22.4 | 16.35 | 16.4 | 25 | |
| 10.0 | 28 | 20.36 | 20.4 | 31 | |
| 12.5 | 33.5 | 32.1 | 25.6 | 38 | |
| 16 | 42.5 | 40.1 | 32.6 | 48 | |
| 20 | 53 | 50.5 | 40.5 | 60 | |
| 25 | 63 | 62.9 | 50.4 | 75 | |
| 31.5 | 80 | 73.8 | 63.8 | 95 | |
| 40 | 100 | 99.3 | 79.3 | 118 | |
| 50 | 125 | 123.5 | 100.5 | 150 | |
| – ^{(a)} Tránh sử dụng kích thước trong ngoặc đơn nếu có thể – Kích thước được gạch chân được chính thức công bố trong tiêu chuẩn ISO – Kích thước danh định d=12.5\div50 thuộc tiêu chuẩn DIN do ISO không đề cập đến khoảng kích thước này – Theo DIN 332-1, dung sai lắp ráp của d=12.5\div50 là H12; dung sai lắp ráp của D_2=33.5\div106 là JS12 | |||||
rong đó:
- d là kích thước lỗ định tâm theo hình.
- D_2 là kích thước lỗ chống tâm ở phần rìa trục.
- l_{minISO} là độ sâu tối thiểu tính theo thông số của ISO 2540:2016. Thông số này không nằm trong bất kỳ tiêu chuẩn nào mà do mình tự tính ra.
- l_{maxDIN} là độ sâu tối đa theo DIN 332-1:1986.
- l_{minDIN} là độ sâu tối thiểu theo DIN 332-1:1986.
- a là khoảng cách dọc trục tính từ bề mặt rìa trục để bạn có thể cắt phần lỗ chống tâm ra khỏi trục theo DIN 332-1:1986.
ISO 2540 lẫn 6411 không đề cập cụ thể độ sâu l của lỗ chống tâm là bao nhiêu. Tuy nhiên, bạn có thể tính toán dựa vào bảng A.1 của ISO 2540:2016. Với độ sâu của mũi khoan chống tâm l_1 của cột 3 và giá trị tham khảo t của cột 4, bạn tính ra được độ sâu tối thiểu của lỗ chống tâm l_{minISO}=l_1+t.
Tiêu chuẩn lỗ chống tâm loại C

Bảng dưới đây là quy cách để các bạn ra được bản vẽ đúng cho tiêu chuẩn lỗ chống tâm loại C.
| d_1 | Loại C (DIN 332-1) | ||||||
|---|---|---|---|---|---|---|---|
| d_2 | b | d_4 | d_5 | t_{max} | t_{max} | a | |
| 1.0 | 2.12 | 0.4 | 4.5 | 5 | 1.9 | 3.5 | |
| 1.25 | 2.65 | 0.6 | 5.3 | 6 | 2.3 | 4.5 | |
| 1.6 | 3.35 | 0.7 | 6.3 | 7.1 | 2.9 | 5.5 | |
| 2.0 | 4.25 | 0.9 | 7.5 | 8.5 | 3.7 | 6.6 | |
| 2.5 | 5.3 | 0.9 | 9 | 10 | 4.6 | 8.3 | |
| 3.15 | 6.7 | 1.1 | 11.2 | 12.5 | 5.9 | 10 | |
| 4.0 | 8.5 | 1.7 | 14 | 16 | 7.4 | 12. | |
| 5 | 10.6 | 1.7 | 18 | 20 | 9.2 | 15.6 | |
| 6.3 | 13.2 | 2.3 | 22.4 | 25 | 11.5 | 20 | |
| 8 | 17 | 3 | 28 | 31.5 | 14.8 | 25 | |
| 10 | 21.2 | 3.9 | 35.5 | 40 | 18.4 | 31 | |
| 12.5 | 26.5 | 4.3 | 45 | 50 | 23.6 | 42.5 | |
| 16 | 33.5 | 6.1 | 56 | 63 | 37.5 | 30 | 53 |
| 20 | 42.5 | 7.8 | 71 | 80 | 47.5 | 37.5 | 67 |
| 25 | 53 | 8.7 | 90 | 100 | 60 | 47.5 | 85 |
| 31.5 | 67 | 11.3 | 112 | 125 | 75 | 60 | 106 |
| 40 | 85 | 17.3 | 140 | 160 | 95 | 75 | 132 |
| 50 | 106 | 17.3 | 180 | 200 | 118 | 95 | 170 |
| – Theo DIN 332-1, dung sai lắp ráp của d=16\div50 là H12; dung sai lắp ráp của D_2=33.5\div106 là JS12 | |||||||
Do ISO không có tiêu chuẩn cho lỗ chống tâm loại C nên mình lấy 100% từ DIN 332-1:1986.





